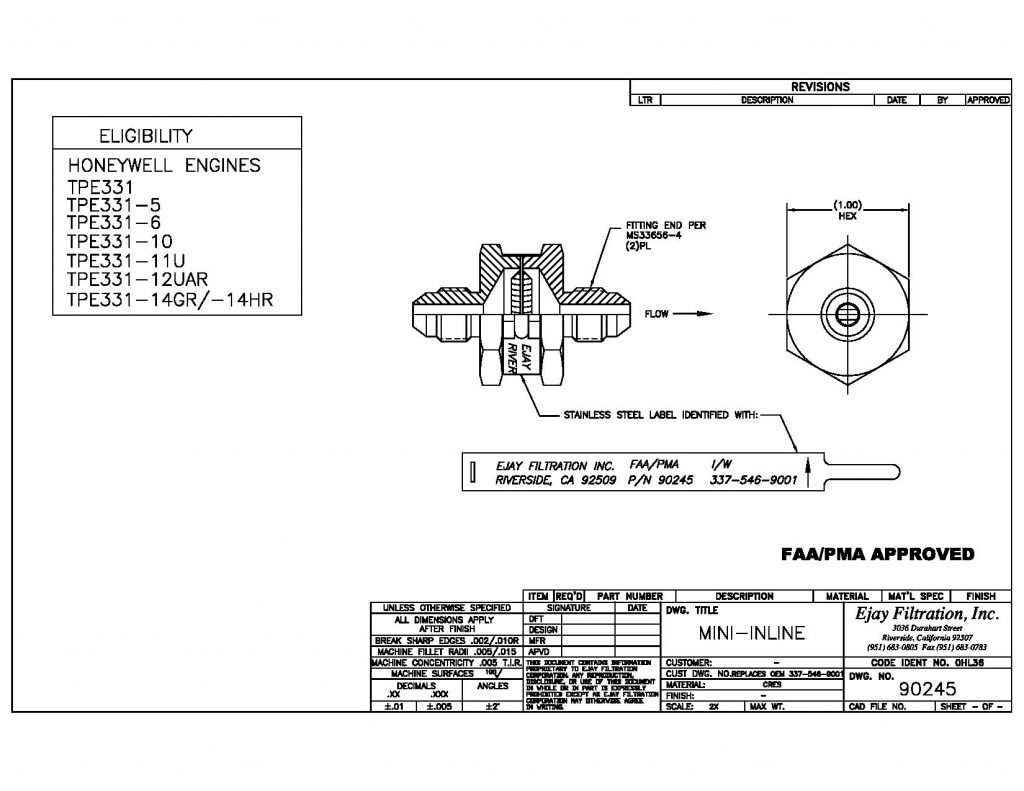
FAA/PMA Part 90245
Ejay Filtration helps keep aircrafts operating at optimal efficiency with a complete range of precision components including filters, restrictors, strainers, fuel filters and more. The filter strainer assembly meets FAA/PMA safety and quality specifications and is approved for installation in a range of PW commercial engines. Specializing in filtration equipment, Ejay Filtration uses state-of-the-art equipment and manufacturing processes to produce the most efficient and durable products. Highly skilled technicians and engineers continue to innovate and create even more compelling designs to preserve the longevity of the aircraft, all its components, and keep all passengers safe in the air. Find OEM replacement parts with Ejay Filtration and call for more details on filtration component customization.





